Задвижка чугунная фланцевая 30ч6бр Ду 250 Ру 10
- Описание
Купить задвижку чугунную фланцевую 30ч6бр Ду 250 Ру 10 в Хабаровске оптом или в розницу вы можете в компании «СНАБАРМАТУРА». Организация доставки в любой регион Дальнего Востока.
Прием заявок:
- Телефоны:
- E-mail: snabarmatura27@gmail.com
- Telegram: Отправить сообщение
Применение
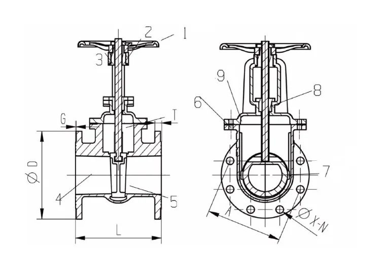
Задвижка чугунная фланцевая 30ч6бр Ду 250 Ру 10 клиновая с выдвижным шпинделем предназначена для установки в качестве запорного устройства на трубопроводах для перекрытия потока рабочей среды. Может использоваться в системах горячего и холодного водоснабжения, водоотведения, канализации.
Рабочая среда: вода, пар, жидкие неагрессивные среды. Не рекомендуется использование задвижки в качестве регулирующей арматуры.
Технические характеристики
| Тип задвижки: | Клиновая с выдвижным шпинделем |
|---|---|
| Диаметр условного прохода (Ду): | 250 мм |
| Давление рабочей среды (Ру): | 10 бар |
| Управление: | Ручное |
| Рабочая среда: | Вода Пар |
| Макс. температура рабочей среды: | 225°C |
| Материал корпуса: | Чугун |
| Присоединение: | Фланцевое |
- Описание
Смотрите также
Задвижка чугунная фланцевая 30ч6бр Ду 125 Ру 10
Задвижка чугунная фланцевая 30ч6бр Ду 200 Ру 10
Осуществляем отправку заказов в города
- Хабаровского края (Комсомольск-на-Амуре)
- Приморского края (Владивосток, Уссурийск, Находку)
- Амурской области (Благовещенск)
- Якутии (Якутск)
- Сахалинской области (Южно-Сахалинск)
- Камчатского края (Петропавловск-Камчатский)
- Магаданской области (Магадан)
- Еврейской автономной области (Биробиджан)
и другие города Дальнего Востока.

