Задвижка чугунная фланцевая 30ч6бр Ду 125 Ру 10
- Описание
Купить задвижку чугунную фланцевую 30ч6бр Ду 125 Ру 10 в Хабаровске оптом или в розницу вы можете в компании «СНАБАРМАТУРА». Организация доставки в любой регион Дальнего Востока.
Прием заявок:
- Телефоны:
- E-mail: snabarmatura27@gmail.com
- Telegram: Отправить сообщение
Применение
Задвижка 30ч6бр Ду 125 Ру 10 чугунная фланцевая — это оптимальное решение для средних диаметров трубопроводов в системах отопления и водоснабжения. Данная модель сочетает в себе высокую пропускную способность и надежность классической параллельной двухдисковой конструкции.
Благодаря выдвижному шпинделю, ходовая резьба вынесена за пределы рабочей среды, что защищает её от коррозии и продлевает срок службы. Латунные уплотнительные кольца HS221 обеспечивают класс герметичности «D», позволяя использовать задвижку на магистралях с горячей водой и паром до +225°C.
Технические характеристики
| Тип задвижки: | Параллельная двухдисковая с выдвижным шпинделем |
|---|---|
| Диаметр условный (Ду): | 125 |
| Рабочее давление (Ру): | 1,0 МПа (10 бар) |
| Температура рабочей среды: | От 0° C до +225° C |
| Температура окружающей среды: | От +50° C до +40° C |
| Рабочая среда: | Вода |
| Тип присоединения: | Фланцевое |
| Управление: | Маховик |
| Класс герметичности: | По ГОСТ 9544-2015 D |
| Климатическое исполнение: | УХЛ4 |
Спецификация материалов
| Крышка: | Чугун (GG20) |
|---|---|
| Маховик: | ВЧШГ (GGG50) |
| Шток: | Сталь Q235 |
| Гайка штока: | Углеродистая сталь |
| Корпус: | Чугун (GG20) |
| Клин: | Чугун (GG20) |
| Болт: | Углеродистая сталь |
| Уплотнительная поверхность клина: | Латунь HS221 |
| Уплотнительная поверхность корпуса: | Латунь HS221 |
| Сальниковая набивка: | Эластичный графит |
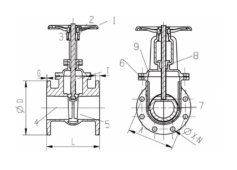
Габаритные и присоединительные размеры
Размеры задвижки 30ч6бр Ду 125 Ру 10 для подбора крепежа и монтажа в систему:
| Строительная длина (L), мм: | 255 |
|---|---|
| Наружный диаметр фланца (øD), мм: | 240 |
| Межболтовое расстояние (øA), мм: | 210 |
| Толщина фланца (T), мм: | 17 |
| Высота выступа (G), мм: | 2 |
| Количество отверстий (n), шт.: | 8 |
| Диаметр отверстий (øX), мм: | 18 |
- Описание
Смотрите также
Задвижка чугунная фланцевая 30ч6бр Ду 250 Ру 10
Задвижка чугунная фланцевая 30ч6бр Ду 200 Ру 10
Осуществляем отправку заказов в города
- Хабаровского края (Комсомольск-на-Амуре)
- Приморского края (Владивосток, Уссурийск, Находку)
- Амурской области (Благовещенск)
- Якутии (Якутск)
- Сахалинской области (Южно-Сахалинск)
- Камчатского края (Петропавловск-Камчатский)
- Магаданской области (Магадан)
- Еврейской автономной области (Биробиджан)
и другие города Дальнего Востока.


